item: 15063
The Pegler Proflow 900XS is a double regulating valve with flanged connection technology, it is a cast iron DRV butterfly valve with a painted finish, it is intended for the isolation and balancing of pipework and equipment in HVAC applications the valve is gear operated and has a quarter turn operation by a wheel handle. It incorporates a double regulating feature for isolation and the setting of a maximum flow rate. Available in Sizes DN125 to DN300.

heating

cooling
industry
commercial building
no approvals available
label
value
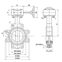
label
DN1
value
DN300
label
DN2
value
DN300
label
l2
value
39
label
n2
value
12
label
k2
value
410
label
d2-2
value
26
label
D2
value
460
label
M
value
150
label
E
value
131
label
H
value
485
label
Y
value
100
label
U
value
166
label
D1
value
460
label
a
value
90
item
Pegler Proflow venturi DRV DN300 PN16
item number with gtin
15063 (05708537255638)
product number with gtin
15063 (05708537255638)
manufacturer
Aalberts integrated piping systems Ltd (Pegler)
size
DN300
weight
53 kg
dimensions
550x150x400 mm
packaging
unpackaged (1 pce)
color
grey
materials
cast iron (ASTM A126 Grade B)
finishing
powder
shape
straight
connection type
flange, flange
pressure rating (PN)
PN 16
sealing
EPDM, PTFE
max operating pressure liquid
16 bar
min. medium temperature
-20 °C
max medium temperature
120 °C
peak medium temperature
120 °C
Kvs-value
7761
product group
valves (EPDM, PTFE)
ETIM class
EC011463 Regulating valveHS code
84818081
brand
Pegler
series
ProFlow Static Venturi
product type
901XS
UNSPS
40141609
label
value
label
etim-class
label
Diameter bolt hole
value
26
label
Diameter bolt hole (imperial)
value
1.02"
label
Housing material
value
Cast iron
label
Surface protection
value
Coated
label
Nominal diameter
value
DN 300
label
Connection 1
value
Flange
label
With coupling connection 1
value
No
label
Connection 2
value
Flange
label
With coupling connection 2
value
No
label
Article compression class
value
PN 16
label
Flange compression class
value
PN 16
label
Suitable for tap water
value
No
label
Suitable for hot tap water
value
No
label
Suitable for central heating water
value
Yes
label
Max. operating pressure
value
16bar
label
Max. operating pressure (imperial)
value
232.06psi
label
Medium temperature (continuous)
value
-20°C - 120°C
label
Medium temperature (continuous) (imperial)
value
-4°F - 248°F
label
Suitable for manual operation
value
No
label
Thermostatic
value
No
label
Hydraulic balance control
value
Static
label
With drain valve
value
No
label
With thermometer
value
No
label
With position indicator
value
No
label
Kvs value
value
7761m³/h
label
Length of connection 2
value
39mm
label
Length of connection 2 (imperial)
value
1.54"
label
Height operating element
value
100mm
label
Height operating element (imperial)
value
3.94"
label
Diameter handwheel
value
150mm
label
Diameter handwheel (imperial)
value
5.91"
label
Spindle angle
value
90°
label
Spindle angle (imperial)
value
3.54"
label
With insulation
value
No
we are here to help
You can compare up to 2 products
You can compare up to 4 products