item: 254250
The PB370DR is a DZR T-handle ball valve with a strainer witch a compact, easy to operate, quarter turn ball valve with 2 compression ends.

heating

cooling

potable water

steam

compressed air
industry
commercial building

WRAS
label
value
label
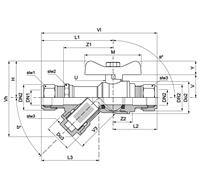
d1
value
15.0
label
DN1
value
DN15
label
l1
value
50
label
z1
value
28
label
slw1
value
24
label
d2
value
15.0
label
DN2
value
DN15
label
l2
value
55
label
z2
value
33
label
slw2
value
24
label
M
value
50
label
H
value
32
label
Y
value
16
label
V
value
16
label
U
value
25
label
a
value
90
item
VSH Prestex ball valve with y-strainer T FF 15 (DN15) (blue) Cr
item number with gtin
254250 (05022050475268)
product number with gtin
254250 (05022050585318)
manufacturer
Aalberts integrated piping systems Ltd (Pegler)
item group
PB370DR (blue) PB370DR (blue) - Ball Valve dzr with strainer and compression ends with blue handle.size
15 (DN15)
weight
0.33 kg
dimensions
111x34x54 mm
packaging
bag (1 pce)
color
chrome
materials
brass (CW602N (DZR))
finishing
chromed
shape
straight
connection type
compression, compression
pressure rating (PN)
PN 16
sealing
PTFE, NBR (Nitrile), EPDM
max operating pressure liquid
16 bar
min. medium temperature
-10 °C
max medium temperature
120 °C
peak medium temperature
120 °C
Kvs-value
2.72
product group
valves (PTFE, NBR (Nitrile), EPDM)
ETIM class
EC011343 Ball valveHS code
84818081
brand
Pegler
series
Ball Valve
product type
PB370DR
UNSPS
40141607
label
value
label
etim-class
value
EC011343 Ball valvelabel
Housing material
value
Brass
label
Material quality
value
CuZn36Pb2As (CW602N)
label
Surface protection housing
value
Chromium-plated
label
Material ball seal
value
Polytetrafluoroethylene (PTFE)
label
Material ball
value
Brass
label
Material spindle
value
Brass
label
Material primary spindle seal
value
Ethylene-propylene diene monomer rubber (EPDM)
label
Nominal diameter connection 1
value
DN 15
label
Outer pipe diameter connection 1
value
15mm
label
Outer pipe diameter connection 1 (imperial)
value
0.59"
label
Connection 1
value
Compression ring
label
With coupling connection 1
value
No
label
Nominal diameter connection 2
value
DN 15
label
Outer pipe diameter connection 2
value
15mm
label
Outer pipe diameter connection 2 (imperial)
value
0.59"
label
Connection 2
value
Compression ring
label
With coupling connection 2
value
No
label
Article compression class
value
PN 16
label
Flange compression class
value
PN 16
label
With drain valve
value
No
label
With drain possibility (connection)
value
No
label
With non-return valve
value
No
label
With filter
value
No
label
With thermometer
value
No
label
Model
value
Straight
label
With insulation shell
value
No
label
UL quality mark
value
No
label
ULC quality mark
value
No
label
FM quality mark
value
No
label
LPCB quality mark
value
No
label
Medium temperature (continuous)
value
-10°C - 120°C
label
Medium temperature (continuous) (imperial)
value
14°F - 248°F
label
Medically clean
value
No
label
Grease-free
value
No
label
Operation
value
T-handle
label
Housing construction
value
1-part
label
Full bore
value
Yes
label
Kvs value
value
2.72
label
Length of connection 1
value
50mm
label
Length of connection 1 (imperial)
value
1.97"
label
Working length connection 1
value
28mm
label
Working length connection 1 (imperial)
value
1.1"
label
Length of connection 2
value
55mm
label
Length of connection 2 (imperial)
value
2.17"
label
Working length connection 2
value
33mm
label
Working length connection 2 (imperial)
value
1.3"
label
Handle height
value
16mm
label
Handle height (imperial)
value
0.63"
label
Angle of the valve
value
label
Wrench width union nut
value
24mm
label
Wrench width union nut (imperial)
value
0.94"
label
VdS quality mark
value
No
label
DVGW quality mark for gas
value
No
label
DVGW quality mark for water
value
No
label
KIWA certified
value
No
we are here to help
You can compare up to 2 products
You can compare up to 4 products