group: V907G

potable water

heating

cooling

natural gas

shipbuilding
industry
commercial building
no approvals available
code
size
dimensions
weight
packaging
gtin
code
size
DN200
dimensions
620x280x420 mm
weight
37 kg
packaging
unpackaged (1 pce)
gtin
05022050356192
code
size
DN250
dimensions
700x330x480 mm
weight
35.5 kg
packaging
unpackaged (1 pce)
gtin
05022050071934
code
size
DN300
dimensions
720x310x450 mm
weight
48 kg
packaging
unpackaged (1 pce)
gtin
05022050072252
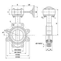
code
size
d1
DN1
l1
d2
DN2
l2
b2
M
E
H
Y
V
U
D1
a
code
size
DN200
d1
219.1
DN1
DN200
l1
30
d2
219.1
DN2
DN200
l2
30
b2
68
M
90
E
146
H
320
Y
120
V
245
U
125
D1
330
a
90
code
size
DN250
d1
273.1
DN1
DN250
l1
34
d2
273.1
DN2
DN250
l2
34
b2
68
M
90
E
155
H
584
Y
120
V
271
U
125
D1
355
a
90
code
size
DN300
d1
323.9
DN1
DN300
l1
39
d2
323.9
DN2
DN300
l2
39
b2
78
M
90
E
165
H
606
Y
120
V
296
U
125
D1
410
a
90
item
Pegler Butterfly valve Gas wth gear (2 x flange)
item number with gtin
V907G
manufacturer
Aalberts integrated piping systems Ltd (Pegler)
weight
48 kg
dimensions
720x310x450 mm
color
blue
materials
cast iron (GGG40 (EN-GJS-400-15))
finishing
primer/paint
shape
straight
connection type
flange
pressure rating (PN)
PN 6
sealing
NBR (Nitrile)
max operating pressure liquid
6 bar
min. medium temperature
-10 °C
max medium temperature
120 °C
peak medium temperature
85 °C
product group
afsluiters (butterfly valves)
ETIM class
EC010910 Butterfly valvebrand
Pegler
series
Butterfly Valve
product type
V907G
UNSPS
40141619
label
value
label
etim-class
value
EC010910 Butterfly valvelabel
Housing material
value
Cast iron
label
Material quality
value
Cast iron EN-GJS-400-15 (GGG 40)
label
Surface protection
value
Primer
label
Material valve butterfly
value
Stainless steel
label
Material quality valve butterfly
value
Other
label
Standard
value
EN
label
Connections
value
Flange (expired)
label
Article compression class
value
PN 6
label
Flange compression class
value
PN 6
label
Operation
value
Worm gearbox
label
Sealing
value
NBR (nitrile rubber)
label
Material spindle
value
Stainless steel
label
Material primary spindle seal
value
Ethylene-propylene diene monomer rubber (EPDM)
label
Height operating element
value
120mm
label
Height operating element (imperial)
value
4.72"
label
Diameter handwheel
value
90mm
label
Diameter handwheel (imperial)
value
3.54"
label
Angle of the valve
value
label
Spindle angle
value
90°
label
Spindle angle (imperial)
value
3.54"
label
Medium temperature (continuous)
value
-10°C - 120°C
label
Medium temperature (continuous) (imperial)
value
14°F - 248°F
label
FM quality mark
value
No
label
UL quality mark
value
No
label
ULC quality mark
value
No
label
LPCB quality mark
value
No
label
VdS quality mark
value
No
label
KIWA certified
value
No
label
Gastec QA mark
value
No
label
Gastec QA - AR 214 (H2)
value
No
we are here to help
You can compare up to 2 products
You can compare up to 4 products