group: N28
The Endex N28 is a reduced T-piece with three end feed ends. By using Endex in your piping installation you are using a simple and cost-effective method. Endex provides universal piping systems suitable for both domestic and light commercial applications.

compressed air

heating

cooling

potable water

natural gas
industry
commercial building

DVGW Wasser

KIWA

WRAS

CSN

BSI Kitemark KM 812318
code
size
dimensions
weight
packaging
gtin
code
size
10x10x12
dimensions
14x25x36 mm
weight
0.02 kg
packaging
bag (10 pce)
gtin
05022050238351
code
size
15x15x18
dimensions
18x30x45 mm
weight
0.03 kg
packaging
bag (10 pce)
gtin
05022050152824
code
size
15x15x22
dimensions
25x43x65 mm
weight
0.06 kg
packaging
bag (10 pce)
gtin
05022050059635
code
size
18x18x22
dimensions
24x40x58 mm
weight
0.07 kg
packaging
bag (10 pce)
gtin
05022050153197
code
size
22x22x28
dimensions
25x43x70 mm
weight
0.12 kg
packaging
bag (10 pce)
gtin
05022050059673
code
size
28x28x35
dimensions
85x28x54 mm
weight
0.21 kg
packaging
bag (1 pce)
gtin
05022050889935
code
size
35x35x42
dimensions
40x45x102 mm
weight
0.35 kg
packaging
bag (1 pce)
gtin
05022050889959
code
size
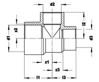
d1
l1
z1
d2
l2
z2
d3
l3
z3
item
Endex Tee Both Ends Reduced
item number with gtin
N28
manufacturer
Aalberts integrated piping systems Ltd (Pegler)
weight
0.35 kg
dimensions
40x45x102 mm
color
copper
materials
copper (CW024A (UNS C12200))
finishing
none
shape
T-piece, 90º
connection type
solder
pressure rating (PN)
PN 16
sealing
Metal sealing
max operating pressure liquid
16 bar
min. medium temperature
-40 °C
max medium temperature
65 °C
peak medium temperature
110 °C
product group
fittings (demountable)
ETIM class
EC003025 Fitting with 3 connectionsHS code
74121000
brand
Pegler
series
Endex
product type
N28
UNSPS
40174612
label
value
label
etim-class
label
Material connection 1
value
Copper
label
Surface protection connection 1
value
Untreated
label
Surface treatment connection 1
value
Untreated
label
Material connection 2
value
Copper
label
Surface protection connection 2
value
Untreated
label
Surface treatment connection 2
value
Untreated
label
Material connection 3
value
Copper
label
Model
value
T-piece
label
Angle
value
90°
label
Reducing
value
No
label
Multi-part
value
No
label
System specific
value
Yes
label
Connection 1
value
Soldered sleeve
label
Connection 2
value
Soldered sleeve
label
Flange compression class
value
PN 16
label
Material sealing
value
Metal-sealing
label
Main colour fitting
value
Copper
label
Max. operating pressure at 20 °C
value
16bar
label
Max. operating pressure at 20 °C (imperial)
value
232.06psi
label
Medium temperature (continuous)
value
-40°C - 65°C
label
Medium temperature (continuous) (imperial)
value
-40°F - 149°F
label
With sealing rings/gaskets
value
No
label
With drain valve
value
No
label
With de-aerator
value
No
label
With thermal insulation
value
No
label
With buffer stud
value
No
label
Capped
value
No
label
FM quality mark
value
No
label
LPCB quality mark
value
No
label
ULC quality mark
value
No
label
UL quality mark
value
No
label
VdS quality mark
value
No
label
DVGW quality mark for gas
value
No
label
DVGW quality mark for water
value
Yes
label
KIWA certified
value
Yes
label
Gastec QA mark
value
No
label
KOMO certified
value
No
label
Gastec QA - AR 214 (H2)
value
No
code
carbon footprint (A-C) embodied carbon
data source
we are here to help
You can compare up to 2 products
You can compare up to 4 products