group: N26
The Endex N26 is a reduced T-piece with three end feed ends. By using Endex in your piping installation you are using a simple and cost-effective method. Endex provides universal piping systems suitable for both domestic and light commercial applications.

potable water

natural gas

heating

cooling

compressed air
commercial building
industry

CSN

DVGW Wasser

KIWA

WRAS

BSI Kitemark KM 812318
item number
size
dimensions
weight
packaging
gtin
item number
size
-
dimensions
38x57x140 mm
weight
0.63 kg
packaging
bag (1 pce)
gtin
05022050888600
item number
size
18x15x18
dimensions
20x34x55 mm
weight
0.04 kg
packaging
bag (10 pce)
gtin
05022050154477
item number
size
22x15x22
dimensions
25x42x60 mm
weight
0.06 kg
packaging
bag (10 pce)
gtin
05022050059086
item number
size
22x18x22
dimensions
24x40x60 mm
weight
0.06 kg
packaging
bag (10 pce)
gtin
05022050108463
item number
size
28x15x28
dimensions
30x50x70 mm
weight
0.09 kg
packaging
bag (10 pce)
gtin
05022050059109
item number
size
28x22x28
dimensions
30x50x75 mm
weight
0.1 kg
packaging
bag (10 pce)
gtin
05022050059123
item number
size
35x15x35
dimensions
83x35x62 mm
weight
0.16 kg
packaging
bag (1 pce)
gtin
05022050888563
item number
size
35x22x35
dimensions
85x35x62 mm
weight
0.17 kg
packaging
bag (1 pce)
gtin
05022050888549
item number
size
35x28x35
dimensions
31x38x93 mm
weight
0.17 kg
packaging
bag (1 pce)
gtin
05022050888556
item number
size
42x28x42
dimensions
103x42x73 mm
weight
0.26 kg
packaging
bag (1 pce)
gtin
05022050888570
item number
size
42x35x42
dimensions
103x42x71 mm
weight
0.26 kg
packaging
bag (1 pce)
gtin
05022050888587
item number
size
54x42x54
dimensions
45x57x138 mm
weight
0.43 kg
packaging
bag (1 pce)
gtin
05022050888594
item number
size
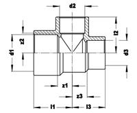
d1
l1
z1
d2
l2
z2
d3
l3
z3
color
copper
materials
copper (CW024A (UNS C12200))
finishing
none
shape
T-piece
sealing
Metal sealing
product group
fittings (demountable)
ETIM class
EC003025 Fitting with 3 connections
HS code
74121000
brand
Pegler
series
Endex
UNSPS
40174612
label
value
label
ETIM class
label
Reducing
value
No
label
Multi-part
value
No
label
System specific
value
Yes
label
Capped
value
No
label
FM quality mark
value
No
label
LPCB quality mark
value
No
label
ULC quality mark
value
No
label
UL quality mark
value
No
label
VdS quality mark
value
No
label
DVGW quality mark for gas
value
No
label
Gastec QA mark
value
No
label
KOMO certified
value
No
label
Gastec QA - AR 214 (H2)
value
No
item number
carbon footprint (A-C) embodied carbon
data source
we are here to help
You can compare up to 2 products
You can compare up to 4 products